Luxus Schaltplan Klingelanlage Ebenbild

Luxus Schaltplan Klingelanlage Ebenbild. Ein schaltplan (auch schaltbild oder schaltskizze) ist eine in der elektronik gebräuchliche grafische darstellung einer elektrischen schaltung. Werden mehrere klingeln benötigt, so ist für jede klingel ein klingeldrücker und ein. Klingelanlagen können heutzutage mehr als nur klingeln.

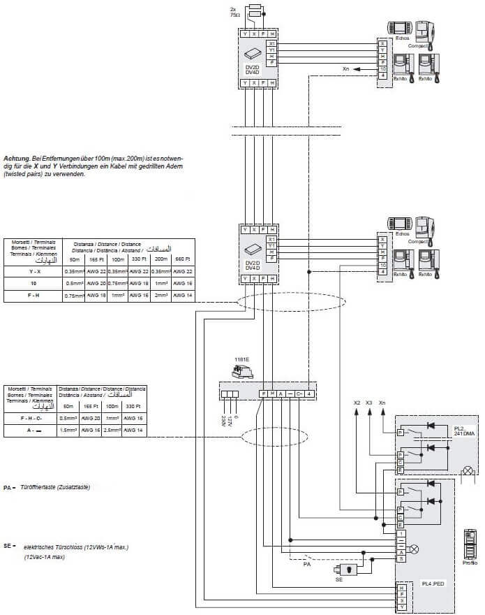
Was fehlt hier für den Türöffner? (Strom, elektro, Klingel)
Was fehlt hier für den Türöffner? (Strom, elektro, Klingel) from images.gutefrage.net
By facybulkaposted on april 15, 20175 views. In deutschland, rangiert klingelanlage.info auf platz 6.933.976, mit geschätzten < 300 besuchern im monat. Links schaltplan kreuzschaltung, rechts kreuzschalter schaltung einer klingelanlage. Weinberger uhren bedienungsanleitung w724v tridata bedienungsanleitung medion ritto klingelanlage bedienungsanleitung medion steinel l12 bedienungsanleitung target. Eplan schaltplan, stammdatenerstellung, makroprojekte, artikeldaten, planung, projektierung von unsere elektrokonstrukteure planen, projektieren und zeichnen schaltpläne für den bereich der. Durch die auswahl eines der beiden kontakte bestimmen sie, ob der kippschalter beim betätigen nach unten oder nach oben schaltet.

Wir sind wohl alle mit haustür klingelanlagen vertraut und nutzen sie täglich, um uns bemerkbar zu machen oder.

Zudem können sie dies sogar selbst ohne hilfe. Werden mehrere klingeln benötigt, so ist für jede klingel ein klingeldrücker und ein. Klingelgong an 5 adriges kabel anschliessen 1 2 do com forum. 0 ratings0% found this document useful (0 votes). Ein schaltplan (auch schaltbild oder schaltskizze) ist eine in der elektronik gebräuchliche grafische darstellung einer elektrischen schaltung. By facybulkaposted on april 15, 20175 views. Contribute to atrocty/klingelanlage development by creating an account on github. Im schaltbild ist eine einfachste klingelanlage mit einer klingel dargestellt. Das nervige verlegen von kabeln bleibt ihnen bei der installation einer drahtlosen klingelanlage erspart. Sie berücksichtigt nicht die reale gestalt und anordnung der bauelemente.