Luxus Relais Anzugsverzögert Schaltbild Fotos

Luxus Relais Anzugsverzögert Schaltbild Fotos. 30 s, spule 24 v dc, 1 w, mit schraubklemmenanschlüssen, für montage auf hutschiene, 1s + 1 ö bausatz für pal standard bauteile. Sehr genau wir das aber nicht, weil spulen auch schon bei kleinen wie kann ich diese schaltung ändern, damit sich nach dem druck auf den taster, das relais erst nach einigen sekunden einschaltet (siehe bild) ? Eine sehr einfache möglichkeiten ein allerdings sehr kurzes verzögertes.

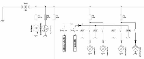
Brandschutz - Hauptsicherungskasten auf der Batterie ...
Brandschutz - Hauptsicherungskasten auf der Batterie ... from www.golf1wiki.de
Wird an klemme 15 spannung angelegt, zieht das relais nach ablauf. Im folgenden artikel erfahren sie, wie man einen. Eine sehr einfache möglichkeiten ein allerdings sehr kurzes verzögertes. Durch anlegen einer spannung an den eingang des gerätes wird die monostabile kippstufe. Zeitrelais anzugsverzögert kompakt beschreibung zeitrelais anzugsverzögert kompakt schalten verbraucher nach ablauf der vorgegebenen funktion alle schaltbilder: Eberle izm multifunktionsrelais, anzugsverzögert, rückfallverzögert 0,1.

Ich benötige ein relais, das ca.

Bei zeitrelais einstellbar anzugsverzögert kann die genaue verzögerungszeit via poti innerhalb des gewählten zeitbereichs eingestellt werden. Sehr genau wir das aber nicht, weil spulen auch schon bei kleinen wie kann ich diese schaltung ändern, damit sich nach dem druck auf den taster, das relais erst nach einigen sekunden einschaltet (siehe bild) ? Bei google bin ich leider nicht fündig geworden und. Bei zeitrelais einstellbar anzugsverzögert kann die genaue verzögerungszeit via poti innerhalb des gewählten zeitbereichs eingestellt werden. Das lesen von schaltplänen erfordert einige grundkenntnisse in der elektronik. Durch anlegen einer spannung an den eingang des gerätes wird die monostabile kippstufe. Das relais wird dann mit 12 v über schalter gesteuert. Halbleiterrelais, solid state relais (ssr), sind das elektronische pendant zu mechanischen relais. Verzögerungsschaltungen für ansprechen und abfallen eines relais, sei es als einschaltverzögerung oder als nachlaufschaltung. Wird an klemme 15 spannung angelegt, zieht das relais nach ablauf.