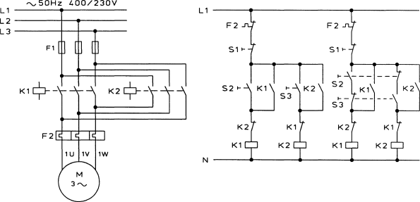
Fabelhafte Schaltplan Motor Rechts-Linkslauf Bild

Fabelhafte Schaltplan Motor Rechts-Linkslauf Bild. Außerdem gibt es kein recht drehung für den motor an der arbeit, die wir erreichen wollen abhängt. Dazu die erklärung des programms in codesys. Schaltplan motor rechts linkslauf wiring diagram.

Stern-Dreieck-Anlaufschaltung – Wikipedia
Stern-Dreieck-Anlaufschaltung – Wikipedia from upload.wikimedia.org
100%100% found this document useful, mark this document as useful. Habe einen 12v motor daran einen taster mit stellung null, links und rechts. Dazu die erklärung des programms in codesys. Und somit technisch recht einfach und robust aufgebaut. Linearmotor, elektromotor, pumpenmotor) mit einer externen spannungsversorgung über. Der motor ist absolut unkaputtbar und ansonsten hast du überall sehr viel platz, sodaß eine reparatur zumindest von daher kein problem.

Savesave ux schaltplan for later.

Schaltplan motor rechts linkslauf wiring diagram. There is an english version of this forum on embdev.net. Ein schaltbild für meinen motor? Erreicht er die endlage rechts fällt das relais ab, das relais für. Schaltplan für wechselschaltung mit schaltbild: Fragen und antworten zur installation. Naja bei der dokumenation muss ja was dabei sein. Und somit technisch recht einfach und robust aufgebaut. Werden die nach dem taster eingebaut oder nach der batterie? Es hadelt sich um eine futura gold mit zg23.