Luxus Schaltplan Relais Modellbahn Bild

Luxus Schaltplan Relais Modellbahn Bild. Da märklin mit doppelspulen arbeitet, können mit einer wr64 32 weichen oder signale geschaltet. Tento pin a mnoho dalšího naleznete na nástěnce rc models uživatele richard singer. Sie berücksichtigt nicht die reale gestalt und anordnung der bauelemente.

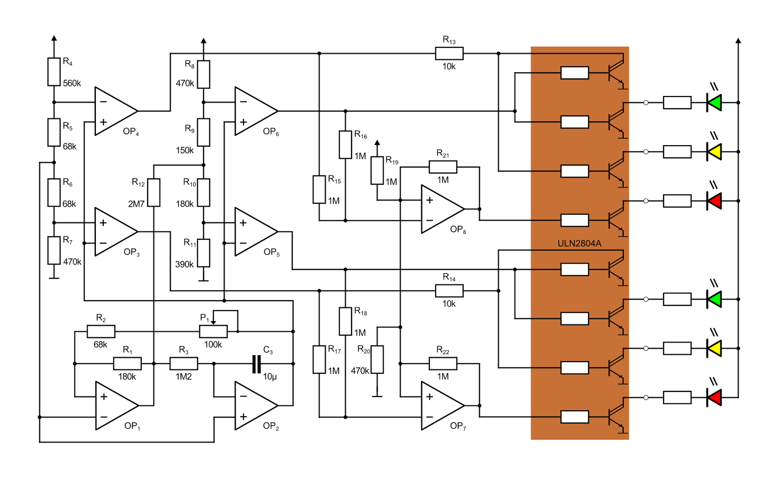
Modellbahn-Technik-Blog: Ampelsteuerung mit ...
Modellbahn-Technik-Blog: Ampelsteuerung mit ... from 3.bp.blogspot.com
Ein schaltplan ist eine grafische darstellung einer elektrischen schaltung. Seit über 10 jahren entwickeln, fertigen und vertreiben wir modellbausätze ausgesuchter objekte für alle gängigen spurweiten und maßstäbe. Modellbahnwelt24.de ihr modellbahnshop bietet alles für ihre modelleisenbahn an. Öffnet den kontakt des relais. Auch aktuelle informationen rund um die modellbahn sind hier gerne gesehen. Durch die auswahl eines der beiden kontakte bestimmen sie, ob der kippschalter beim betätigen nach unten oder nach oben schaltet.

Habe gestern meine modellbahn aus dem keller geholt.

Dazu werden einige nötige grundlagen für die. Nach einer nachfrage hier noch einmal ein plan zum bistabilen relais. Habe gestern meine modellbahn aus dem keller geholt. Seit über 10 jahren entwickeln, fertigen und vertreiben wir modellbausätze ausgesuchter objekte für alle gängigen spurweiten und maßstäbe. Die spule des relais zieht an und schließt bzw. Öffnet den kontakt des relais. Arduino uno version | arduino mega version | arduino due version | sanguino version. Was sind ihre anforderungen bezüglich schaltpläne? Dazu werden einige nötige grundlagen für die. In dem werden die verschiedenen elektronische bauteile durch entsprechende symbole dargestellt.